Ningbo Richge Technology Co., Ltd.
Ningbo Richge Technology Co., Ltd.
Termékek
Zn12-12 sorozat integrált oszlopkapcsoló vákuumkuxing megszakító
  • Zn12-12 sorozat integrált oszlopkapcsoló vákuumkuxing megszakítóZn12-12 sorozat integrált oszlopkapcsoló vákuumkuxing megszakító
  • Zn12-12 sorozat integrált oszlopkapcsoló vákuumkuxing megszakítóZn12-12 sorozat integrált oszlopkapcsoló vákuumkuxing megszakító

Zn12-12 sorozat integrált oszlopkapcsoló vákuumkuxing megszakító

Model:ZN12-12
A ZN12-12 sorozatú beltéri AC HV vákuum-megszakító az AC 50Hz-es három fázisú beltéri berendezés, a 12 kV-os névleges feszültség, amely a német társaság technológiáját vezette be. Ez alkalmas olyan területre, ahol mindenféle terhelés és gyakori működés van, és felhasználhatja az ipari és bányászat, a vállalkozás, az erőmű és az alállomás elektromos létesítményeinek védelmét és irányítását. Ez a termék összhangban áll a GB1984, JB3855, DL403 és IEC szabványok kapcsolódó követelményeivel.

Zn12-12 sorozat integrált oszlopkapcsoló vákuumkuxing megszakító

  Zn12-12 Beltéri nagyfeszültségű vákuumkapcsoló-megszakító 12 kV-os és a következő beltéri nagyfeszültségű kapcsolóberendezések, amelyek főként rögzített kapcsolókészülékekbe vannak felszerelve, ipari és bányászati ​​vállalkozásokhoz, erőművekhez és alállomásokhoz az elektromos létesítmények védelme és vezérlése, és alkalmas a hely fontos terhelésére és gyakori működésére!

  A ZN12 sorozatú vákuumkutárok beltéri nagyfeszültségű kapcsolóberendezések, 12 kV, 24kV és 40,5 kV, valamint háromfázisú AC 50Hz-es feszültségű feszültséggel. Ez egy hazai termék, amelyet a német Siemens 3AF technológia bevezetésével fejlesztettek ki. A megszakító működési mechanizmusa egy rugós energiatároló típus, amelyet AC vagy DC, vagy manuálisan is működtethet. A megszakítónak egyszerű szerkezete, erős törési kapacitása, hosszú élettartama és teljes működési funkciói vannak. És nincs a robbanás veszélye, és a karbantartás egyszerű. Ez alkalmas az energiaátviteli és elosztó rendszerek, például erőművek, alállomások, valamint ipari és bányászati ​​vállalkozások vezérlésére vagy védelmi kapcsolására, különös tekintettel a fontos terhelések és a gyakori üzemeltetési helyek megsértésére. A megszakító telepítési formája a kapcsoló szekrényben lehet rögzített típusú vagy kivonható típusú megszakító.


Előnyök:

1.A megszakító augusztus 96 -án átadta a Megyipari Minisztérium és az Elektromos Power Minisztérium értékelését, ami azt jelenti, hogy a minőség teljesen garantált.

A megszakító mechanizmusa integrálódik a kapcsolóval, és a speciális rugós energiatároló típusú működtető mechanizmus AC és DC energiatárolással vagy manuálisan működtethető.

Az egyszerű felépítés, az erős törési kapacitás, a hosszú élettartam, a teljes működési funkciók, a robbanásveszély és az egyszerű karbantartás nélkül ez a megszakító alkalmas az energiaátviteli és elosztó rendszer, például erőmű, városi energiahálózat, alállomás stb. Vezérlésére vagy védelmére.


Jellemzők:

1. Az ív -oltáskamra törési kapacitása magas, az áram hordozóképessége alacsony, és az elektromos élettartam hosszú.

2.

3. A szerkezet és a telepítés érdekében feloszthatók: vízszintes rögzített típusú, ferde rögzített típusú, középső készlet mozgatható típus.






Alapvető információk.



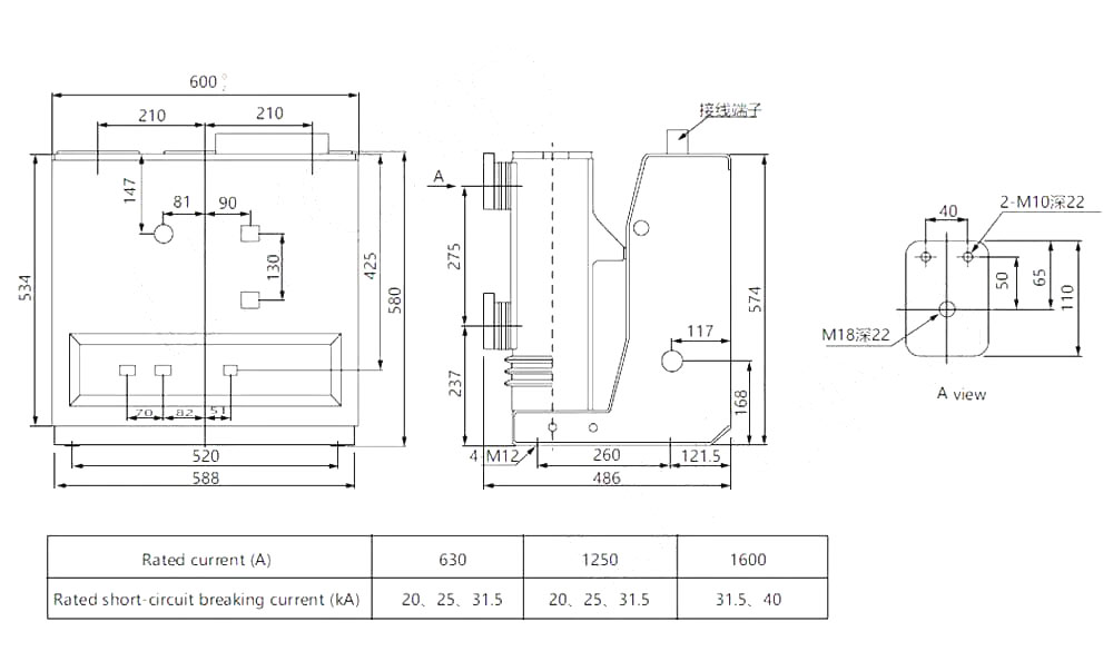
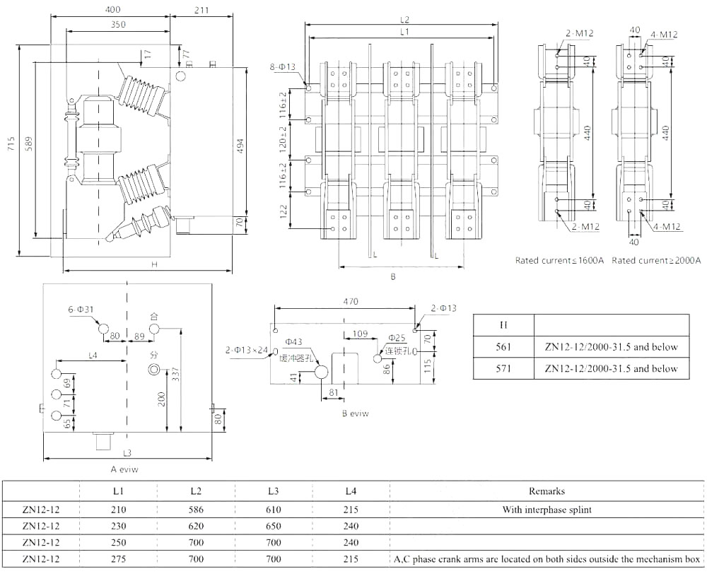
Műszaki paraméterek



Műszaki rajzok


A Zn12-12 integrált oszlopkapcsoló vákuumkapcsoló-megszakítójának felhasználási feltételei. Magasság: ≤1000 m; (A prototípus magassága 4000 méter alatt elérheti)

2. környezeti hőmérséklet: a legmagasabb +40 ° C, a legalacsonyabb -25 ° C;

3. Relatív páratartalom: A napi átlag legfeljebb 95%, havi átlag legfeljebb 90%;

4. Földrengés intenzitása: kevesebb, mint 8;

5. Telepítési környezet: Nincs tűz, robbanásveszély, nincs korrozív gáz és nincs erőszakos rezgési hely.

6. Kérjük, vegye fel a kapcsolatot a vákuum -megszakító gyártójával, ha a használati környezet meghaladja a fentiek.




GYIK

K: Lehetnek -e a termékei ára?

V: Üdvözöljük. Kérjük, bátran küldjön itt kérdést. 24 órán belül válaszolunk neked.


K: Kaphatok egy mintát az ömlesztett sorrend előtt?

V: Igen, üdvözöljük a minta megrendelését a minőség teszteléséhez és ellenőrzéséhez. A négyszeres minták elfogadhatók.


K: Kinyomtathatjuk a logó/ vállalat nevünket a termékekre?

V: Igen, természetesen elfogadjuk az OEM -t, majd szükségünk van számunkra a márka engedélyezésére


K: Elfogadja a termék testreszabását?

V: Igen, természetesen, kérjük, adjon meg konkrét rajzokat vagy paramétereket, az értékelés után idézünk Önt


K: Mennyi az átfutási idő?

V: Az átfutási idő a megrendelt mennyiségektől függ, általában a fizetés kézhezvételétől számított 7-20 napon belül.


K: Mi a kereskedelmi feltételeid?

V: Elfogadjuk az EXW, FOB, CIF, FCA stb.


K: Mi a fizetési módod?  

V: Elfogadjuk a T/T, a Western Union, a PayPal, a visszavonhatatlan L/C látásra stb.


K: Megvizsgálja a késztermékeket?

V: Igen, a gyártás és a késztermékek minden egyes lépését a QC Osztály a szállítás előtt ellenőrzi. És a szállítás előtt megadjuk az Ön referenciájára vonatkozó áruk ellenőrzési jelentéseit


K: Hogyan lehet megoldani a minőségi problémákat az értékesítés után?

V: Készítsen fényképeket a minőségi problémákról, és küldje el nekünk az ellenőrzésünket és megerősítést, 3 napon belül elégedett megoldást készítünk az Ön számára.




Gyár


Bizonyítvány




Hot Tags: ZN12-12 sorozatú integrált oszlopkapcsoló vákuummegszakító, Kína, gyártó, beszállító, gyár, alacsony ár, minőség, legújabb eladás, fejlett
Kérdés küldése
Elérhetőségei
Kisfeszültségű kapcsolóberendezésekkel, nagyfeszültségű szigetelőkkel, nagyfeszültségű földelőkapcsolókkal vagy árlistával kapcsolatos kérdéseivel kapcsolatban kérjük, hagyja e-mail-címét, és 24 órán belül felvesszük Önnel a kapcsolatot.
X
We use cookies to offer you a better browsing experience, analyze site traffic and personalize content. By using this site, you agree to our use of cookies. Privacy Policy
Reject Accept